ManBetX万博体育网页版

天同集团官网

電力及自動化系統設備制造商
專注于35KV及以下電力二次設備産品的研發和方案提供

咨詢服務熱線022-88561542
電力及二次設備制造商
首頁> 技術文章>老龄产业>雙位置老龄产业>HBDLL型雙位置老龄产业

聯系我們

  •  152-1245-1251
  •  022-88561542
  •  022-88561542
  •  ttlljt@126.com

  • HBDLL-95A/2雙位置老龄产业
  • 文章類别:HBDLL型雙位置老龄产业
  • 文章概述
  • 産品型号:HBDLL-95A/2
    觸點形式:2常開2轉換2常閉
    線圈電壓:DC110V
    安裝結構:嵌入式闆後接線(可升級導軌)

  • 詢價留言

    • 概述
      HBDLL-95A/2雙位置中間老龄产业,适用于交直流操作的各種保護和自動控制系統中,作為切換閉鎖元件。HBDLL-95A/2采用進口雙位置老龄产业組成,不需要任何的機械調整,安全可靠,并有分閘、合閘指示,分閘、合閘線圈由電流啟動或電壓啟動,電流啟動值從0.25A~6A通用。接線時注意極性,簡化了大量的規格,這樣既方便設計安裝,又利于配套。
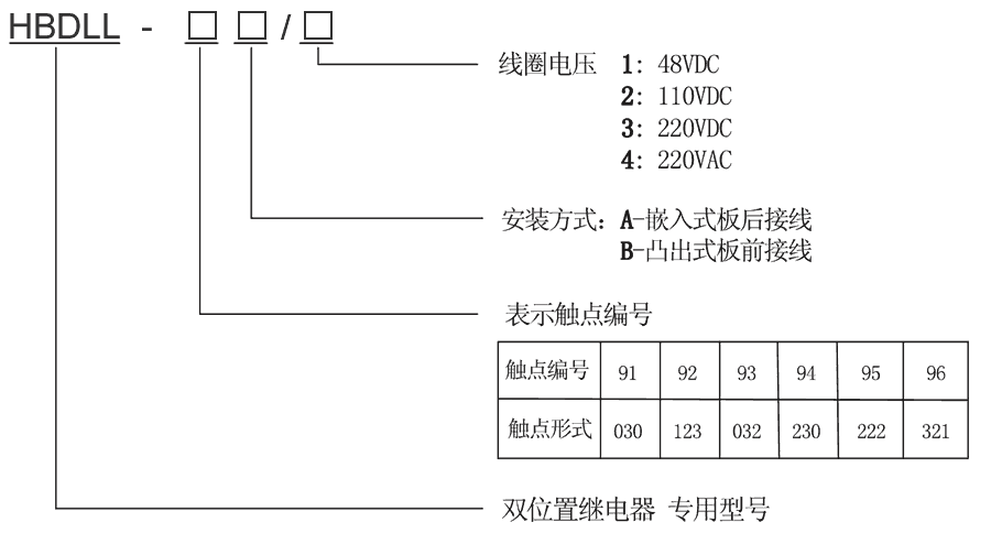
      型号及含義
      HBDLL-95A/2型号及其含義
      企業實拍
      企業内部環境
      HBDLL-95A/2技術參數
      額定參數
      額定電壓 110V、220V(AC/DC)
      動作電壓 ≤70%額定電壓
      動作電流 ≤80%最小額定電流
      動作時間 ≤30ms
      功耗 ≤6W
      安裝方式及接線
      安裝結構 導軌安裝
      接線方式 端子排接線
      絕緣性能
      絕緣電阻 老龄产业外殼與外露帶電端子之間用開路電壓500V的兆歐表測量,絕緣電阻不小于10MΩ
      絕緣耐壓 老龄产业外殼與外露帶電端子之間能耐受2KV(有效值)50Hz試驗電壓,曆時1分鐘,無擊穿或閃絡現象
      環境條件
      環境溫度 -15℃~55℃
      工作電壓 不大于120%額定電壓
      工作位置 任意
      周圍磁場強度 小于0.5mT
      環境相對濕度 不大于90%
      大氣壓力 80~110KPa
      極限溫度 -25℃~+70℃
      海拔高度 不大于2500 米
      接線圖
      HBDLL-95A/2内部接線圖
      HBDLL-95A/2整定範圍及返回系數
      型号 觸點形式 動作電壓 線圈電壓
      HBDLL-91 3轉換 ≤70%額定電壓 AC:220V,DC:48V、110V、220V
      HBDLL-92 1常開2轉換3常閉 ≤70%額定電壓 AC:220V,DC:48V、110V、220V
      HBDLL-93 3轉換2常閉 ≤70%額定電壓 AC:220V,DC:48V、110V、220V
      HBDLL-94 2常開3轉換 ≤70%額定電壓 AC:220V,DC:48V、110V、220V
      HBDLL-95 2常開2轉換2常閉 ≤70%額定電壓 AC:220V,DC:48V、110V、220V
      HBDLL-96 3常開2轉換1常閉 ≤70%額定電壓 AC:220V,DC:48V、110V、220V
      主要特點

      HBDLL-95A/2阻燃殼體

      HBDLL-95A/2靜态集成電路

      HBDLL-95A/2端子排接線

      HBDLL-95A/2導軌條安裝

      導軌安裝結構
      HBDLL-95A/2導軌安裝結構外形尺寸
    http://sdlyep.com http://sjfhq.com http://cbjnq.com
    XML 地圖